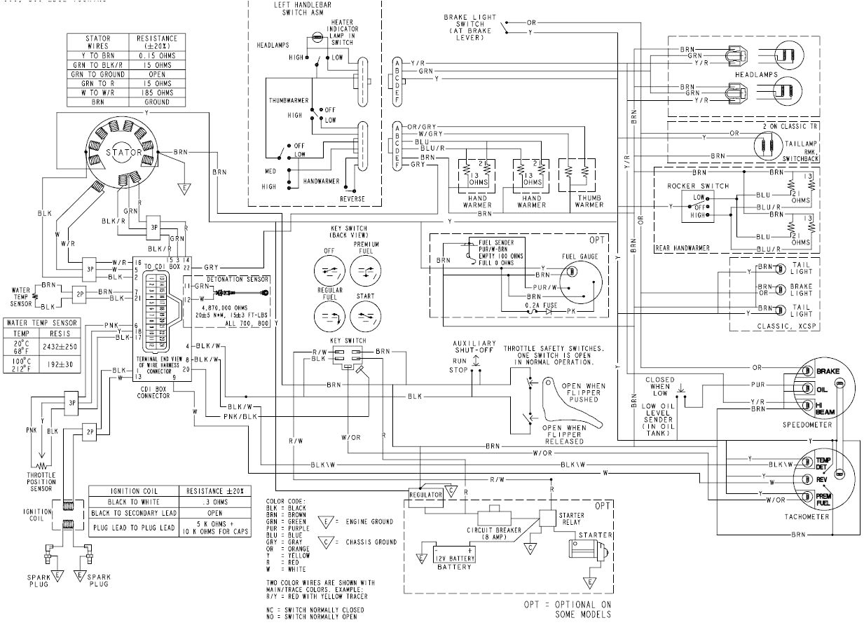
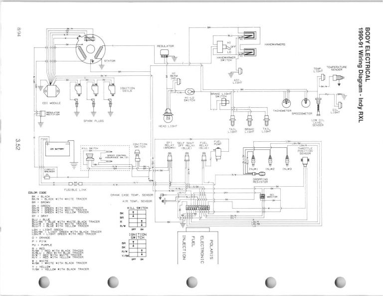
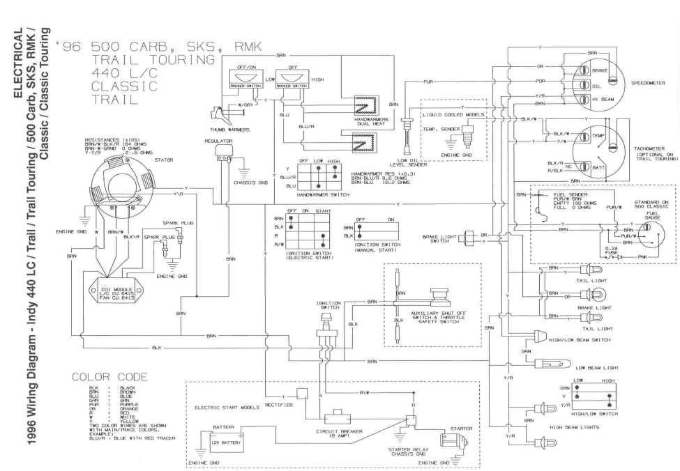
Поларис схема электрическая - найдено 30 изображений
Найдено изображений: 30

























Смотрите также
- 1 комнатная квартира студия дизайн
- 155 бригада морской пехоты фото
- Александр соколовский фото
- Голубика в природе фото
- Как заменить лампочку шевроле круз
- Как подключить беспроводные наушники к магнитоле
- Как построить выкройку юбки солнце
- Краснодарская набережная фото
- Обустройство двора частного дома своими руками фото
- Рабочий календарь 2025 года с праздниками татарстан

