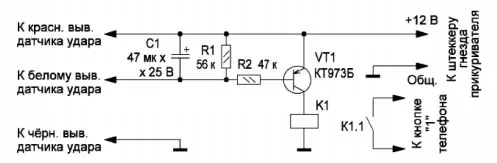
Подключение датчиков удара - найдено 30 изображений
Найдено изображений: 30





























Смотрите также
- Rocket league ошибка подключения к серверам
- Интерьер гостиной простой недорогой
- Как выглядят семена арахиса
- Календарь стрижек на январь 2025 года
- Кошкина фото до и после
- Магнит распределительный центр село парфентьево с1 фото
- На что ловят на озере селигер
- Правильное подключение котлов
- Прически на светлое каре
- Профосмотр ул розы люксембург 77 екатеринбург фото

