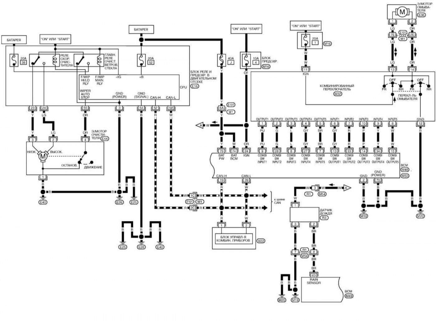
Подключение датчика дождя x trail t31 - найдено 30 изображений
Найдено изображений: 30



























Смотрите также
- Вк восточный фото
- Горно алтайск фото города 2024
- Егерь хаус бар просп кирова 165 фото
- Как подключить к ноутбуку смотреть
- Кофе любимый фото
- Комоды фабрики шатура фото и цены
- Модные короткие стрижки пикси
- Одноэтажный дом из красного кирпича фото
- Платье с горлом фото
- Произошла ошибка проверьте подключение к интернету

