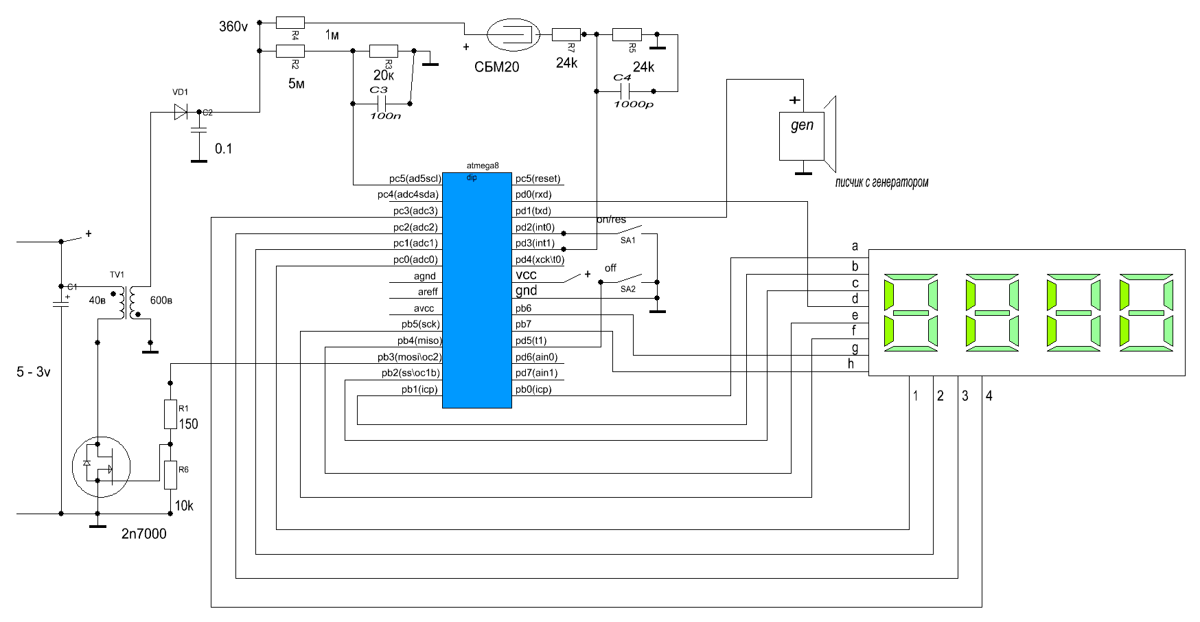
Дозиметр своими руками схема - найдено 30 изображений
Найдено изображений: 30



























Смотрите также
- Борисоглебский монастырь ярославская область фото
- Дизайн квартир цена за метр
- Екатерининский дворец в санкт петербурге фото снаружи
- Как подключить многожильный провод к одножильному
- Красивый мятный маникюр
- Лучшая планировка угловой кухни
- Лютик садовый посадка фото
- Маникюр нежный однотонный миндаль
- Настольная посудомоечная без подключения к водопроводу
- Николай двигубский фото
