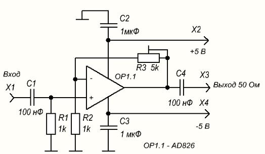
Буферный усилитель схема - найдено 30 изображений
Найдено изображений: 30






























Смотрите также
- Kisa butik ул пушкина 99 фото
- Александр невский фото и описание
- Белгородский флаг фото
- Виды животных фото и название
- Выкройка мужского жилета скачать
- Идеи серого маникюра 2024
- Интересные картинки добрый вечер
- Печка своими руками из кирпича чертежи
- Планировка комнаты для разнополых детей
- Подключение каких продуктов банка доступно в атм

