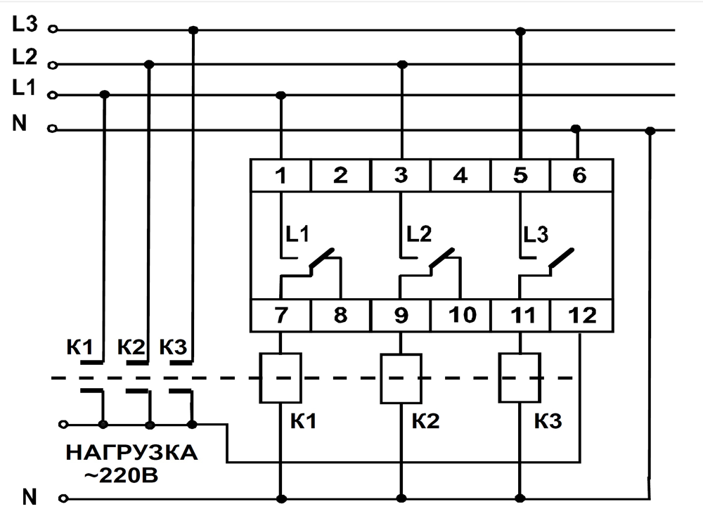
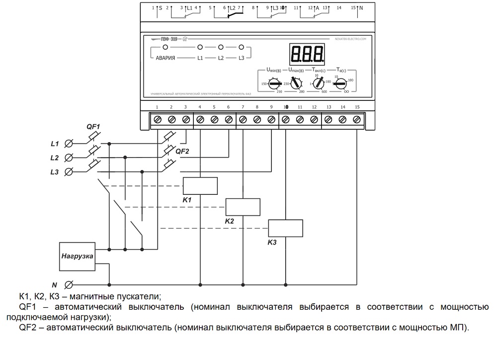
Автоматический переключатель фаз трехфазный схема подключения рассказать - найдено 30 изображений
Найдено изображений: 30




























Смотрите также
- Zx 750 схема подключения автозапуска двигателя
- А клуб басков пер 2 фото
- Банку нутеллы фото
- Гранат пр островского 5а корп 1 фото
- Домашние тарталетки рецепт с фото пошагово
- Интерьер однокомнатной квартиры 38 м
- Как рассаживать орхидею фото
- Леруа мерлен декор на стену
- Подключение 3 х килловатного электрического катла 220вольт
- Подключение 3х фазной розетки с 5 проводами
